总理,我们先来了解一下电动葫芦:
电动葫芦是一种轻小型起重设备,安装在起重机或行车上。它具有体积小、重量轻、操作简单、使用方便的特点。多用于工矿、仓储和码头等场所。电动葫芦的起重量一般为0.1 ~ 80吨,起升高度为3 ~ 30米。由电机、传动机构、卷筒或链轮组成,分为钢丝绳电动葫芦和电动链条葫芦两种。

1.首先用万用表侧电阻,电动葫芦电机出来的三根线中有一根是公共整根线,另外两根是绕组的进线。(如果主副绕组不分,两个绕组的进线电阻与公共端线电阻相同;如果主副绕组分开,主绕组和公共端的电阻大于副绕组和公共端的电阻)。2.判断主绕组和辅助绕组。查看电动葫芦马达中的导线数量。如果主副绕组分开,要求正反向旋转,电机出来的线数至少要4根。如果是3,可以判断主副绕组没有分。3.电动葫芦接线主要是操作葫芦主体和手柄。操作手柄上一般有六个按钮,分别是红色、绿色和四个方向键。提升机有一个子排端子,也就是提升机主体和手柄连接的地方。根据线的颜色,可以进行布线。



电动葫芦的电气装置主要由电控箱、按钮开关、限制器和连接线组成。


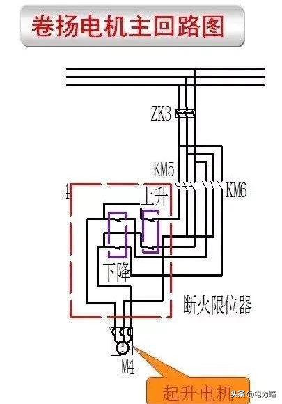
绕线电机和大小车的电机一样,由两个接触器控制正反向,正反向也是互锁的。不同的是在其主回路中串联了一个熄火限制器,作为上升和下降的限位。
阻火原理:从接触器正负两端引出五根火线。五根导线中的一根火线作为公用线(我们通常选择B相作为公用线),绞车上下控制接触器的下导线分别接两对触点。当上升或下降到一定高度时,导绳器会带动撞击器推开挡火板,从而切断电机的电源,保证设备不会损坏。防火挡块是电动葫芦的最后一道电气防线。平时不要让它频繁移动,在其下层安装限位开关。两者之间的距离要合适。


按钮控制箱的工作电压一般为380V或36V。根据按钮开关上显示的方向符号,正确按下按钮,可以通过闭合和断开控制箱中的继电器来控制提升机的动作。
遥控器中上下左右前后互锁,防止一组按钮同时按下时电机动作。
机身上设有大车和小车的行程限位开关,轨道两侧设有弹性缓冲器,保证电动葫芦两端不会脱轨或防止机身损坏。
绞车上有提升限位凸起,阻火器起到双重保护作用。在无下限位的电动葫芦中,当吊钩处于最低工作位置时,卷筒上的钢丝绳必须保持3个以上的安全环。
常见接线图:


